
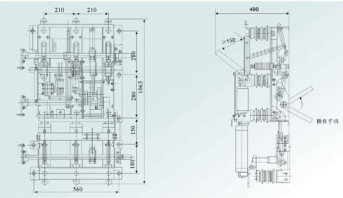
FZN16-12戶內交流高壓負荷開關---熔斷器組合電器,性能達到GB3804《3~63KV交流高壓負荷開關》和lEC420《交流高壓負荷開關---熔斷器組合電器》國際標準及國家標準。
該真空負荷開關適用于6-12kV三相交流50Hz的電網中,作為開斷負荷電流及關合短路電流之用,特別適用于在無油化,不檢修及頻繁操作要求的場所。
該產品具有獨立隔離斷口,手動操作力小,可配用陶瓷管,或玻璃管兩種真空滅弧室等優點,是高壓開關無油化和設備更新換代上水平的理想產品。
基本型號:FZN16-12/630-20、FZN16-12/125-31.5

