
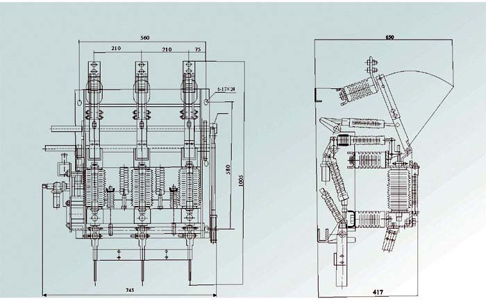
FZN21-40.5戶內高壓交流真空負荷開關(熔斷器組合電器)是專為35Kv箱式變電站設計的,亦可作為獨立電器單元應用于電力系統中。本產品體積小、安裝方便、操作簡單。其結構科學合理,動作靈活可靠。負荷開關可實現免維護,組合電器可配用系列撞針式熔斷器,熔斷器更換安全方便。
該戶內高壓交流真空負荷開關(熔斷器組合電器)適用于額定電壓40.5kV三相交流501h的供電網絡中,作為開斷負荷電流、過載電流及短路電流之用。尤其適用于無油化,不檢修及頻繁操作要求的場所。
1 周圍空氣溫度不超過40℃,且在24h內測得的平均植不超過35℃,最低周圍空氣溫度為-25℃;
2 陽光輻射的影響可以忽略;
3 海拔高度不超過1000m;
4 周圍空氣沒有明顯地受到塵埃、煙、腐、蝕性和、或可燃性氣體,蒸汽或鹽霧的污染;
5 相對濕度日平均植不超過95%;水蒸氣壓力日平均值不超過22kPa;月相濕度對平均值不超過90%;月水蒸氣壓力平均值不超過1.8KPa;
6 來自開關設備和控制設備外部的振動或地動是可以忽略的;
7 在二次系統中感應的電磁干擾的幅度值不超過1.6kV。





常用型號:FZN21-40.5/1250-31.5